产品中心 | 联系我们 您好,欢迎访问东莞市超翔电子有限公司官方网站,我们将竭诚为您服务!
风华高科授权代理商 一站式电子元器件整合供应商
全国咨询热线:0769-85325266
您的位置: 首页>产品中心>风华电容>瓷介电容器
瓷介电容器

CT7系列安规瓷介电容器--车规品

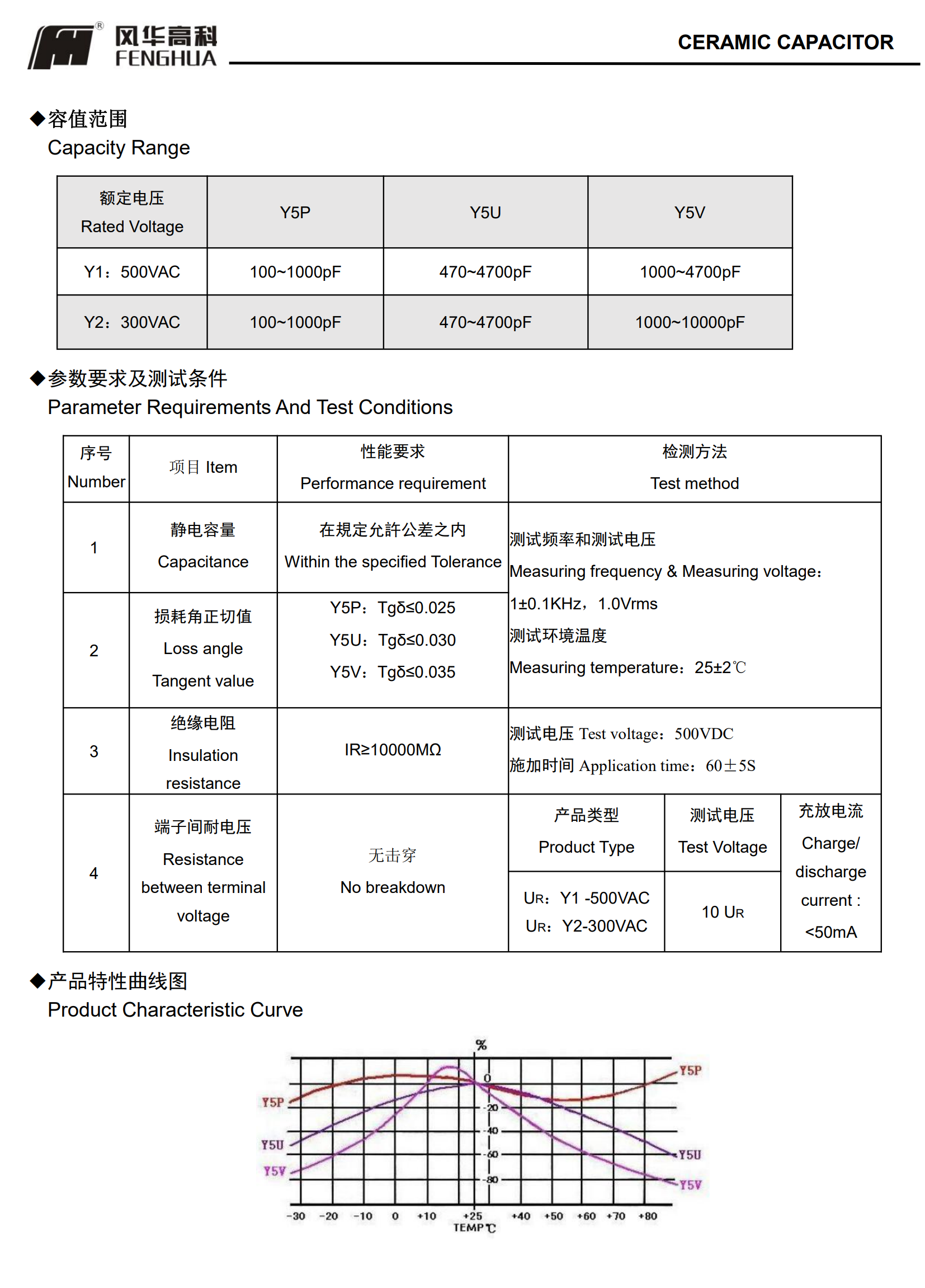
■CT7 系列安规瓷介电容器--车规品◆特征* 符合 GB/T 6346.14-2015/IEC 60384.14-2005 及 AEC-Q200 REV D 认证标准。* 优异的耐振动性能,满足标准 MIL-STD-202 Method 204、AEC-Q200。* 优异的快速温变性能,满足 JESD22 Method JA-104、AEC-Q200。◆应用* 适于在电子设备中作为跨电源线连接、天线耦合、旁路、滤波等。

在线咨询全国热线
0769-85325266
产品描述

■CT7 系列安规瓷介电容器--车规品

CT7系列安规瓷介电容器--车规品.png

◆特征

* 符合 GB/T 6346.14-2015/IEC 60384.14-2005 及 AEC-Q200 REV D 认证标准。

* 优异的耐振动性能,满足标准 MIL-STD-202 Method 204、AEC-Q200。

* 优异的快速温变性能,满足 JESD22 Method JA-104、AEC-Q200。

◆应用

* 适于在电子设备中作为跨电源线连接、天线耦合、旁路、滤波等。

在线客服
联系方式

热线电话

0769-85325266

上班时间

周一到周六

手机号码

13712101206

微信二维码
线